Termodinamica applicata

La ricerca in termodinamica applicata ha come obiettivo primario l'avanzamento della conoscenza e la comprensione delle relazioni fra scambi di energia e le diverse variabili in gioco in un determinato ciclo o processo termodinamico. Può essere indotta dall'interesse e dall'intuito del ricercatore, ma non è mai condotta senza un particolare scopo pratico, e i suoi risultati trovano spesso applicazioni importanti, con ricadute nel breve-medio termine.
Gli studi svolti presso il Dime si sono concentrati principalmente su: semplificazione dei modelli termodinamici, approfondimenti sulla generazione entropica in contesti specifici e progettazione EGM (Entropy Generation Minimization).
Inoltre, è noto che l’utilizzo dei materiali richieda spesso la conoscenza o la previsione del comportamento dei materiali stessi sottoposti a gradienti termici o al variare della temperatura. Note le sollecitazioni termiche, tale comportamento è determinato dalle proprietà termofisiche. Presso il DIME/Tec, la ricerca sulla misura delle proprietà termofisiche si è sviluppata nel corso degli anni dotandosi di apparecchiature idonee ai metodi di misura in transitorio. Con l’applicazione di metodi di misura inversi sono state privilegiate tecniche innovative indirizzate anche alla contemporanea stima della qualità associata alla misura.
Particolari sezioni di prova sono state dedicate alla misura di proprietà di trasporto di massa e di assorbimento nei mezzi fibrosi e porosi e del coefficiente scambio termico su di fili elettrici singoli e multipli in convezione naturale.
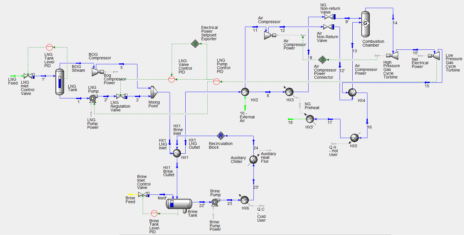
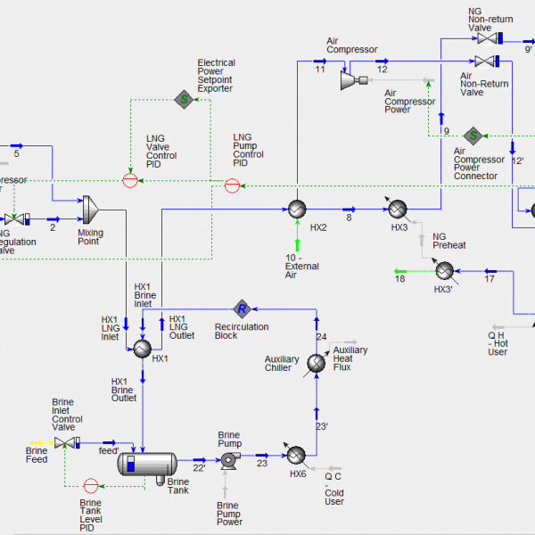
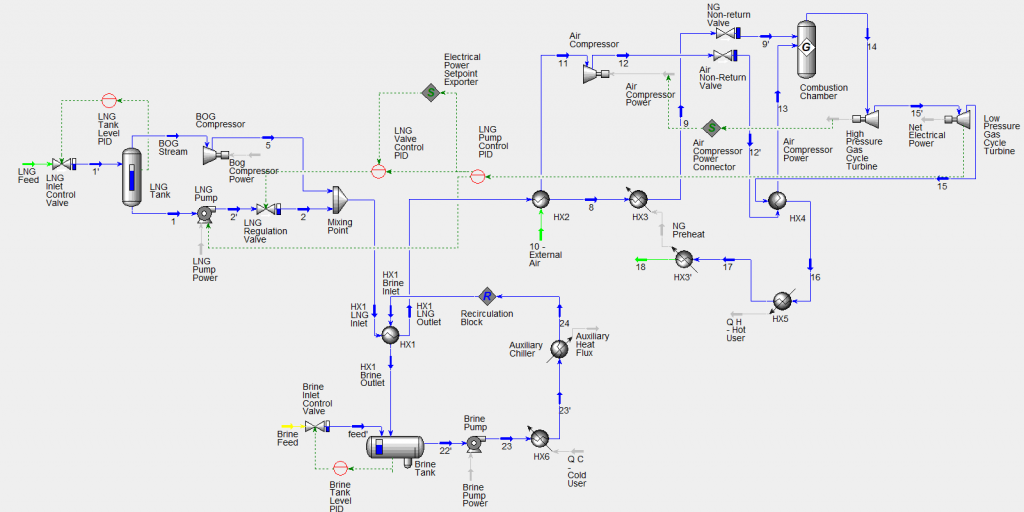
Infine, l'analisi exergetica dei componenti di impianto, svolta in combinazione con l'analisi energetica convenzionale, permette di evidenziare e di quantificare, da un punto di vista termodinamico, le diverse forme di scambio di energia.


Ricercatori

  • Corrado Schenone
  • Luca Antonio Tagliafico
  • Giovanni Tanda
  • Federico Scarpa
  • Vincenzo Bianco
  • Francesco Devia
  • Davide Borelli

Laboratori

  • Proprietà Termofisiche (PTLab)
  • Termofluidodinamica Applicata (TFALab)
  • Condizionamento Ambientale, Riscaldamento, Refrigerazione

Pubblicazioni

  • Borelli, D., Devia, F., Lo Cascio, E., Schenone, C. Energy recovery from natural gas pressure reduction stations: Integration with low temperature heat sources (2018) Energy Conversion and Management, 159, pp. 274-283. DOI: 10.1016/j.enconman.2017.12.084
  • Lo Cascio, E., Borelli, D., Devia, F., Schenone, C. Future distributed generation: An operational multi-objective optimization model for integrated small scale urban electrical, thermal and gas grids (2017) Energy Conversion and Management, 143, pp. 348-359. DOI: 10.1016/j.enconman.2017.04.006
  • Scarpa, F., Tagliafico, G., Tagliafico, L.A. Control optimization in experiments for the heat transfer assessment of saturated packed bed regenerators (2012) International Journal of Heat and Mass Transfer, 55 (23-24), pp. 6944-6950.
  • Luca A. Tagliafico, Federico Scarpa, Federico Valsuani. Direct expansion solar assisted heat pumps – A clean steady state approach for overall performance analysis. Applied Thermal Engineering 66 (1–2) (2014) 216-226.
  • Federico Scarpa, Luca A. Tagliafico, Vincenzo Bianco. Inverse cycles modeling without refrigerant property specification. International Journal of Refrigeration 36 (6) 2013 1716-1729.
Ultimo aggiornamento